芯城品牌采购网 > 品牌资讯 > 元器件百科

3D芯片工艺世界上第一款3D芯片工艺已经准备获取牌照,该工艺来自于无晶圆半导体设计公司BeSang公司。当前包含了内存的平面(2D)芯片必须围绕其内存阵列放置逻辑电路来对比特位进行寻址并提供逻辑功能。把内存和逻辑电路放在一起,意味着必须在二者之间使用较长的内部连线。而BeSang通过将逻辑电路放在芯片的底层,将内存位单元放在顶层,从而将设计更加紧凑,二者之间只需很短的连接线。在BeSang(韩语的

芯城品牌采购网

24020

DDG变压器简介DDG低电压大电流变压器无论试验、加热,均需从电源电压降压以升流,使低压电流达数千或万余安培。本产品的高压电压一般为220伏、380伏和650伏,其低压电压由升流大小而不同,自成一个系列。在采用本系列产品时,一般需要在电源前侧加电压调节,使低压侧达到无级调节。本变压器适用连续工作制、输出电压采用安全电压3V、6V、9V、12V、15V、24V、36V等。DDG低电压大电流变压器适用

芯城品牌采购网

29237

EI型变压器简介EI变压器是电子变压器里一种,是按照铁心形状来定义的,因为EI变压器的铁心是由“E”型片和"I“型片叠加起来的,因此叫做EI变压器。EI变压器一般是工频(低频)变压器(50HZ或60HZ)、电源变压器、某些音频变压器也是EI的,如音响上用的。EI型变压器分类按照安装方式分类分为插针式、引线骑马夹式,插针式是直焊线路板上的,引线式是外部带引线,大部分是外面有铁壳,并且铁壳有安装孔,可

芯城品牌采购网

23918

ABB接触器公司发展ABB集团位列全球500强企业,集团总部位于瑞士苏黎世。ABB由两个历史100多年的国际性企业瑞典的阿西亚公司(ASEA)和瑞士的布朗勃法瑞公司(BBCBrownBoveri)在1988年合并而成。两公司分别成立于1883年和1891年。ABB是电力和自动化技术领域的领导厂商。ABB的技术可以帮助电力、公共事业和工业客户提高业绩,同时降低对环境的不良影响。ABB集团业务遍布全球

芯城品牌采购网

27796

DFB激光器-芯城品牌采购网

DFB激光器应用原理一、可调谐半导体激光吸收光谱技术(TDLAS)a)过程控制(HCl,O2…)b)火灾预警(CO/CO2ratio)c)成分检测(moistureinnaturalgas)d)医疗应用(bloodsugar,breathgas,helicobacter)e)大气测量(isotopecompositionofH2O,O2,CO)f)泄漏检查(Methane)g)安全(H2S,HF)

芯城品牌采购网

25334

DC电源插座封装种类DC插座分为两种封装:SMT贴片封装、DIP插件封装。DC电源插座型号规格DC电源插座中心针有:0.5mm/0.7mm/1.0mm/1.1mm/1.3mm/1.65mm/2.0mm/2.5mm/3.0mmDC电源插座技术指标接触电阻:ContactResistance≤0.03mmΩ额定负荷:RatedLoad30VDC0.5A绝缘电阻:InsulationResistance

芯城品牌采购网

31134

CCD传感器-芯城品牌采购网

CCD传感器简介电荷耦合器件图像传感器CCD(ChargeCoupledDevice),它使用一种高感光度的半导体材料制成,能把光线转变成电荷,通过模数转换器芯片转换成数字信号,数字信号经过压缩以后由相机内部的闪速存储器或内置硬盘卡保存,因而可以轻而易举地把数据传输给计算机,并借助于计算机的处理手段,根据需要和想像来修改图像。CCD传感器结构CCD是由许多个光敏像元按一定规律排列组成的。每个像元就

芯城品牌采购网

23738

ABS传感器-芯城品牌采购网

ABS传感器简介ABS传感器最重要的功能并不是为了缩短制动距离,而是为了能够尽量保持制动时汽车的方向稳定性。ABS起作用时,车轮与路面的摩擦属滚动摩擦,它会充分利用车轮与路面之间的最大附着力进行制动,从而提高制动加速度,缩短制动距离,但最重要的还是保证汽车的方向稳定性。ABS工作时就相当于以很高的频率进行点刹。于是,在紧急情况下如果将制动踏板踩到底,肯定会感到制动踏板在颤动,同时也会听到制动总泵发

芯城品牌采购网

22508

3D晶体管发展历程随着摩尔定律的进步越来越艰难,科学家们也早就意识到了3D结构晶体管的必要性。事实上,Intel早在2002年就宣布了3D晶体管设计,先后经过了单鳍片晶体管展示(2002年)、多鳍片晶体管展示(2003年)、三栅极SRAM单元展示(2006年)、三栅极后栅极(RMG)工艺开发(2007年),直至今日方才真正成熟。这一突破的关键之处在于,Intel可将其用于大批量的微处理器芯片生产流

芯城品牌采购网

26523

9D传感器简介9D传感器采用混合信号处理技术,提供校准的数字惯性检测,是高集成度的解决方案。SPI接口和简单的输出寄存器结构实现了方便的数据访问和配置控制。通过SPI端口可以访问下列嵌入式传感器:X、Y和Z轴角速度;相对首向检测;X、Y和Z轴线性加速度;内部温度;电源;以及辅助模拟输入。惯性传感器在各个轴上执行精密对准,并对失调和灵敏度进行校准。嵌入式控制器可以动态补偿对MEMS传感器的所有主要影

芯城品牌采购网

24952

4MHZ晶振主要参数频率范围Freq.Range:4MHZ频率稳定性FrequencyStabilityu:±20PPm工作温度OperaingTemp:-20℃to70℃储存温度StorangeTemp:-55℃to125℃输入电压Input:*电压:±3.3Vdc±10%,±5Vdc±10%*电流:3.000MHzto32.000MHz,≤35mA输出波形对称性OutputSymmetry:4

芯城品牌采购网

26946

CEFR电缆使用特性电缆长期允许工作温度为85℃,额定电压Uo/U为0.6/1kv。敷设时电缆最小弯曲半径如下:金属屏蔽铠装型为电缆外径的6倍。非铠装型,外径小于等于25mm时为电缆外径的4倍,大于25mm为电缆外径的6倍。CEFR电缆执行标准GB9331.2-88CEFR电缆型号名称CEFR/DA乙丙绝缘氯丁护套船用电力软电缆,DA型,连接移动电器用。80的固定敷设,用于防干扰场所,90的固定敷

芯城品牌采购网

28880

5032贴片晶振-芯城品牌采购网

5032贴片晶振简介5032晶振是贴片晶振中的较为常用的一种晶振封装尺寸,5032贴片晶振又分为5032有源晶振和5032无源晶振,两者之间主要的区别在于可定制的低频率不一样,5032无源晶振只可以做到的低频为12MHZ,而5032有源晶振却能做到低频至1MHZ,5032晶振广泛应用于蓝牙、车载、汽车导航设备、通讯电子、消费电子、智能家居等行业。5032贴片晶振尺寸5032贴片晶振规格

芯城品牌采购网

27872

6035晶振特性1.晶体振荡器系列产品为轴向引线玻璃封装型2.稳定性好,可靠性高3.阻值及B值精度高4.由于采购用玻璃封装,可在高温和高温等恶劣环境下使用5.体积小,结构坚固,便于自动化安装6.使用温度范围-40℃~+300℃7.热感应快,灵敏度高等6035晶振主要参数频率范围:7.0~100MHz频率公差(25℃)±10ppm±30ppm,orspecify在工作温度范围内的频率稳定度:±10p

芯城品牌采购网

24741

DVD电源板型号1、型号:SJ-6891(UL认证已通过)输入:AC90V-264V(50/60Hz)输出:多种输出方式尺寸:110×50×25MM2、型号:SJ-6808-2(CCC)输入:AC90V-250V(50/60Hz)输出:多种输出方式尺寸:124×45×25MM3、型号:SJ-6808-1输入:AC90V-264V(50/60Hz)输出:多种输出方式尺寸:121.5×42×25MM4

芯城品牌采购网

20806

48V开关电源简介从而产生所需要的一组或多组电压!转化为高频交流电的原因是高频交流在变压器变压电路中的效率要比50HZ高很多.所以开关变压器可以做的很小,而且工作时不是很热!!成本很低.如果不将50HZ变为高频那开关电源就没有意义!!48V开关电源大体可以分为隔离和非隔离两种,隔离型的必定有开关变压器,而非隔离的未必一定有。48V开关电源工作原理1.交流电源输入经整流滤波成直流;2.通过高频PWM

芯城品牌采购网

30847

CH4调压器产品特性(1)调压范围:它是指调压器输出压力P2的可调范围,在此范围内要求达到规定的精度。调压范围主要与调压弹簧的刚度有关。(2)压力特性:它是指流量g为定值时,因输入压力波动而引起输出压力波动的特性。输出压力波动越小,减压阀的特性越好。输出压力必须低于输入压力一定值才基本上不随输入压力变化而变化。(3)流量特性:它是指输入压力一定时,输出压力随输出流量g的变化而变化的持性。当流量g发

芯城品牌采购网

29091

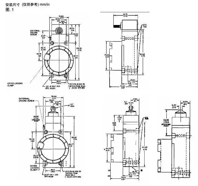
BX防爆限位开关-芯城品牌采购网

BX防爆限位开关描述BX系列应用在野外作业或不良环境这类需要防爆密封环境中是理想的。为了满足防爆要求,BX系列外壳内部具有火焰通道,这可以将易然气体在接触到外部易然气体前冷却到起火温度之下。BX的火焰通道是一个处干开关腔和开关头以及外壳螺线之间的扩展活塞。这些产品或者是为野外使用的环境封装,或者是为易然气体/尘土环境设计。它们可以通过一个连接板与HDLS产品交互使用。所有的开关头都在90°增量下可

芯城品牌采购网

23470

CMOS射频集成电路发展在过去的十年中,寻呼机、无绳电话、模拟及数字蜂窝电话等个人通信系统以及数字电视、广播得到了迅猛发展,对重量轻、体积小、功耗低、成本低的收发器的需求也迅速增加,提高收发器的集成度无疑是满足上述需求的重要途径。在以往的收发器中,数字处理部分通常采用低成本的标准CMOS工艺,射频前端一般采用GaAs、Bipolar或BiCMOS工艺。由于数字处理部分的通常占到芯片面积的75%以上

芯城品牌采购网

29527

FC光纤快速接续连接器简介FC光纤接续快速连接器是一种能够很好解决现场布线作业和光纤到户工程的连接头。被广泛运用于施工现场需要快速连接的地方,为作业提供了一种快速稳定的连接。快速连接头现场组装因无需再进行胶水固化和研磨,这为工程师进行线路安装、维护和修理,以及光纤到户工程提供了更快捷的帮助。FC光纤快速接续连接器原理这种连接器最早是由日本NTT研制。FC是FerruleConnector的缩写,表

芯城品牌采购网

24213

DELTA变频器品牌介绍台达集团目前在交换式电源供应器产品为世界第一的领导厂商,并且在多项产品领域亦居世界级的领导地位,其中包括提供电源管理的整体解决方案、视讯显示器、工业自动化、网络通讯产品、与可再生能源相关产品。台达集团于1971年创立,营运据点与制造工厂遍布中国台湾、泰国、中国大陆、墨西哥以及欧洲。做为全球电力电子产业的领导者,台达集团致力于实践环境保护的承诺,已在多年前实施绿色无铅制程、回

芯城品牌采购网

28318

电连接器简介电连接器除了要满足一般的性能要求外,特别重要的要求是电连接器必须达到接触良好,工作可靠,维护方便,其工作可靠与否直接影响飞机电路的正常工作,涉及整个主机的安危。为此,主机电路对电连接器的质量和可靠性有非常严格的要求,也正因为电连接器的高质量和高可靠性,使它也广泛应用于航空、航天、国防等军用系统中。电连接器常用的分类方法包括外形、结构、用途等。电连接器结构组成电连接器由固定端电连接器,即

芯城品牌采购网

27183

KSD301温度继电器动作原理KSD301温控器是一种将定温后的双金属圆片作为热敏感反应组件,当产品主件温度增高时所产生的热量传递到双金属圆片上,达到动作温度设定时迅速动作,通过机构作用使触点断开或闭合;当温度下降到复位温度设定时,双金属圆片迅速恢复原状,使触点闭合或断开,达到接通或断开电路的目的,从而控制电路。KSD301温度继电器特点具有性能稳定、精度高、体积小、量轻、可靠性高、寿命长、对无线

芯城品牌采购网

29698

6芯室内光缆-芯城品牌采购网

6芯室内光缆传输传输方面6芯室内光缆主要是以单模和多模两种规格。单模(内径是9μm外径是125μm)多模(有两种,分别是内径是62.5μm外径是125μm和内径是50μm外径是125μm),单模是一种长距离传输的模式,波长是1310和1550两种;多模是一种短距离传输的模式(传输距离限制在2000米以内),波长是850和1300两种。(现在广泛应用的是单模,而多模正在逐渐的淘汰中)6芯室内光缆结构

芯城品牌采购网

29850

144芯光缆传输传输方面144芯光缆主要是以单模和多模两种规格。单模(内径是9μm外径是125μm)多模(有两种,分别是内径是62.5μm外径是125μm和内径是50μm外径是125μm),单模是一种长距离传输的模式,波长是1310和1550两种;多模是一种短距离传输的模式(传输距离限制在2000米以内),波长是850和1300两种。(现在广泛应用的是单模,而多模正在逐渐的淘汰中)144芯光缆特点

芯城品牌采购网

30906

CM315晶振产品介绍CM315晶振是日本CITIZEN(西铁城)生产的32.768KHZ晶振系列中的直插式音叉型水晶振动子/kHz帯水晶振动子,通常的晶振内部的石英水晶为圆形或方形,该款晶振内部的石英水晶为“U”形,故称音叉型水晶振动子.CITIZEN品牌的计时产品始于1924年,是一款怀表。当时的东京市长,后藤新平先生期望这款苦心研制的日本制造的怀表能够成为“为CITIZEN,也就是全世界全体

芯城品牌采购网

30073

72芯光缆简述72芯光缆是内置有72根光纤(成分是二氧化硅,石英玻璃)的通讯线缆。拥有多种结构型号以及两种传输模式,是利用比较广泛的通讯光缆。72芯光缆是内置有72根光纤的室外通讯线缆,72芯光缆主要应用在长途通讯和局间通讯的传输,是一种长距离传输的模式。72芯光缆结构在结构上72芯光缆主要分为室外和室内两种结构类型。室外型的主要有中心束管式和层绞式两种类型,一般较为常用的是层绞式,以为层绞式容纳

芯城品牌采购网

23179

8芯光缆型号在型号选型方面8芯光缆主要以室外和室内两种类型的型号,室外的有GYXTW,GYTS,GYTA,GYTA53;室内的有GJFJV。1、GYXTW:中心束管式带铠结构,可以容纳4-12芯,适用于架空的敷设。2、GYTS:层绞式带铠结构,可以容纳4-144芯,适用于埋地和管道的敷设。(埋地时需要套上一层PVC管)3、GYTA:层绞式带铝结构,可以容纳4-144芯,适用于埋地和管道的敷设。(埋

芯城品牌采购网

25869

8芯多模光缆简述8芯多模光缆是内置有8根光纤(成分是二氧化硅,石英玻璃)的通讯线缆。拥有多种结构型号以及两种传输模式,是利用比较广泛的通讯光缆,主要应用在长途通讯和局间通讯的传输。8芯多模光缆型号在型号选型方面8芯多模光缆主要以中心束管式和层绞式两种规格类型的型号,中心束管式的有GYXTW,GYXTY,ADSS;层绞式的有GYTA,GYTS,GYTA53,GYFTY。1、GYXTW:中心束管式带铠

芯城品牌采购网

25145

CIS扫描仪介绍CIS扫描仪是98年后才问世的新型扫描仪,CIS的意思是“接触式图象传感器”,不需光学成像系统,结构简单、成本低廉、轻巧实用,但是对扫描稿厚度和平整度要求严格,成像效果比CCD差。CIS技术诞生于1998年,早已不是“新的扫描技术”。实际上,接触式图像传感器CIS技术与电荷耦合器件CCD技术几乎是同时诞生的。早期它的光学分辨率最高只能达到200dpi,曾广泛用在低档手持式黑白扫描仪

芯城品牌采购网

23578

ADSS光缆简介ADSS光缆,All-dielectricSelf-supportingOpticalCable(也称全介质自承式光缆)。用一种全介质(无金属)光缆独立地沿输电线路架挂在电力导线内侧(悬挂的位置主要根据悬挂处电场强度、地面距离、施工及维护便利条件等因素决定,目前较多的是架挂在电力导线的下方),用以构成输电线路上的光纤通信网,这种光缆称作ADSS。当输电线路已经架设有地线,且剩余寿命

芯城品牌采购网

27420

ADSL延伸器-芯城品牌采购网

ADSL延伸器产品特性延伸中心局(ATU-C)至用户端(ATU-R)之间的传输距离。应用于第一代ADSL系统时,使用一级延伸器能将一般ATU-C至ATU-R3.5公里距离扩展到5.5公里~6公里(确保上/下行速率为128kbps/512kbps),能同时维持普通电话(POTS)业务;使用两级延伸器能将一般ATU-C至ATU-R3.5公里距离扩展到6公里~7公里(确保上/下行速率为128kbps/5

芯城品牌采购网

25832

60芯光缆结构在结构上60芯光缆主要分为室外和室内两种结构类型。室外型的主要有中心束管式和层绞式两种类型,一般较为常用的是层绞式,以为层绞式容纳的芯数较为大,而且保护性能相对中心束管式的要好一些。(中心束管式是以光纤位于光缆中心,采用没膏填充、双钢丝外加强的结构;层绞式则是以光纤围绕中心加强件的一种形式的结构。)室内型的则主要以束状式的结构为主(型号是GJFJV)60芯光缆型号在型号选型方面60芯

芯城品牌采购网

27270

96芯光缆型号在型号选型方面96芯光缆主要以室外和室内两种类型的型号,室外的有GYXTW,GYTS,GYTA,GYTA53;室内的有GJFJV。1、GYXTW:中心束管式带铠结构,可以容纳4-12芯,适用于架空的敷设。2、GYTS:层绞式带铠结构,可以容纳4-144芯,适用于埋地和管道的敷设。(埋地时需要套上一层PVC管)3、GYTA53:层绞式双重护套带铠结构,可以容纳4-144芯,适用于埋地和

芯城品牌采购网

26538

CRT显示器介绍CRT显示器是一种使用阴极射线管(CathodeRayTube)的显示器,通常是一台电脑的标准设备之一。早期的CRT显示器只有绿色的一小块,而如今20寸的CRT显示器都司空见惯了。随着尺寸的增加,CRT显示器的显示效果也在提高。CRT显示器和其他硬件设备一样,经常会出现故障。但调查发现,真正由于质量差或自然损坏的故障只占20%左右,大部分的故障是由于环境条件差和操作不当或管理不善导

芯城品牌采购网

21706

ATM交换机介绍ATM交换机是用于ATM网络的交换机产品。它的特点是不但速度快,而且可以同时操控数据、图像和语音等信息。ATM技术诞生有其必然性,随着信息化社会的到来,人们对通信的需求已远远超出传统电话及电报业务,数据通信、宽带通信需求日益增大,但由于ATM网络独特的技术特性,现在还只广泛用于电信、邮政网的主干网段。相对于物美价廉的以太网交换机而言,ATM交换机的价格实是很高的,所以也就在普通局域

芯城品牌采购网

30333

GYTA光缆简介GYTA光缆的结构是将单模或多模光纤套入由高模量的聚酯材料做成的松套管中,套管内填充防水化合物。缆芯的中心是一根金属加强芯,对于某些芯数来说,金属加强芯外还需挤上一层聚乙烯(PE)。松套管(和填充绳)围绕中心加强芯绞合成紧凑的圆形缆芯,缆芯内的缝隙充以阻水填充物。涂塑铝带(APL)纵包后挤制聚乙烯护套成缆。GYTA光缆结构参数光缆型号芯数(根)松管数填充绳数光缆直径mm光缆重量Kg

芯城品牌采购网

28575

GYXTY光缆简介GYXTY光缆的结构是将单模或多模光纤套入由高模量的塑料做成的松套管中,套管内填充阻水化合物。松套管外用12根磷化钢丝绞合铠装,绞合钢丝与松套管中间的阻水缆膏保证了光缆的紧凑和纵向阻水,最后挤出MDPE护套成缆。阻水油膏防止光缆的纵向渗水·12根绞合钢丝保证光缆的抗拉强度及防气枪弹能力·PE护套具有很好的抗紫外线辐射性能及耐环境应力开裂性能·直径小、重量轻、容易敷设光缆芯数光缆直

芯城品牌采购网

26505

DVI接口介绍DVI(DigitalVisualInterface),即数字视频接口。它是1998年9月,在Intel开发者论坛上成立的,由SiliconImage、Intel(英特尔)、Compaq(康柏)、IBM(国际商业机器公司)、HP(惠普)、NEC(日本电气股份有限公司)、Fujitsu(富士通)等公司共同组成的DDWG(DigitalDisplayWorkingGroup,数字显示工作

芯城品牌采购网

22938

COEL变频器品牌介绍COEL品牌源自意大利著名机公司意大利COEL集团股份有限公司,公司于1976年成立,其产品以可靠性和稳定性而著称,COEL刹车电机更是全球刹车电机三大品牌之一。为拓展海外市场,COEL于2006年正式进驻中国,并成立了意大利COEL(中国)有限公司。公司的主要产品包括刹车电机、减速机及变频器等系列产品。主要服务于机械制造、节能环保、新能源等多项领域,产品广泛应用于空气压缩机

芯城品牌采购网

30062

聚酯薄膜电容简介聚酯薄膜电容器属有机薄膜电容器类,又称涤纶电容器。它是以金属箔或金属膜为电极,以聚对苯二甲酸乙二醇酯(简称聚酯)薄膜为介质,卷绕成形并装入塑料壳密封而成的。有的电容器是将卷好成形的芯子用带色的环氧树脂包封。用金属膜式电极制作的电容器称为金属化聚酯薄膜电容器。聚酯薄膜电容主要特点1.金属化聚酯膜,无感卷绕结构。2.容量范围宽,体积小,重量轻。3.自愈性好,寿命长。4.阻燃性环氧粉末包

芯城品牌采购网

25533

FPC排线简介说到FPC排线,大家肯定了解或熟悉了FPC是什么?FPC按功能分,可分为很多种,如FPC天线、FPC触摸屏、FPC电容屏等,FPC排线就是其中的一种,通俗点说,FPC排线就是可在一定程度内弯曲的连接线组。FPC排线构成FPC排线因为是FPC的一种,因此,它的构成与FPC的构成相同。FPC一般是长条形的,两端设计成可插拔的针状,可直接与连接器相连或焊接在产品上。中间一般为线路,因为FP

芯城品牌采购网

32409